Запасные части ЧТЗ Запасные части ЧТЗ
Энергодар
Например:
Актобе
Алдан
или
Выбрать автоматически
Актобе
Алдан
Алматы
Алчевск
Архангельск
Астана
Астрахань
Атырау
Баку
Балашиха
Барнаул
Белгород
Бердянск
Бишкек
Владивосток
Владикавказ
Воркута
Воронеж
Горловка
Грозный
Донецк
Екатеринбург
Иваново
Ижевск
Иркутск
Казань
Калининград
Каменск-Уральский
Караганда
Каховка
Кемерово
Киров
Комсомольск-на-Амуре
Костанай
Краснодар
Красноярск
Красный луч
Ленск
Луганск
Магадан
Магнитогорск
Макеевка
Махачкала
Мелитополь
Минск
Мирный (Якутия)
Москва
Мурманск
Нерюнгри
Нижневартовск
Нижний Новгород
Нижний Тагил
Новая каховка
Новокузнецк
Новосибирск
Новый Уренгой
Норильск
Ноябрьск
Нур-Султан
Омск
Оренбург
Ош
Павлодар
Пермь
Петрозаводск
Петропавловск
Петропавловск-Камчатский
Псков
Ростов-на-Дону
Салехард
Самара
Санкт-Петербург
Саратов
Севастополь
Семей
Симферополь
Сочи
Ставрополь
Сургут
Сыктывкар
Тараз
Ташкент
Токмак
Томск
Тында
Тюмень
Ульяновск
Усинск
Усть-Каменогорск
Уфа
Хабаровск
Ханты-Мансийск
Херсон
Челябинск
Чита
Шымкент
Экибастуз
Энергодар
Южно-Сахалинск
Якутск
Ваш город
Энергодар
Войти
Запасные части к тракторам на одном сайте
Отправить заявку


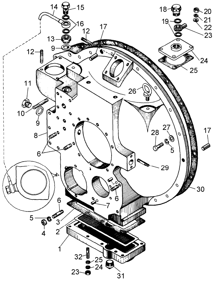
Кожух гидротрансформатора на Т10М / Б10М


/
с НДС 20%
Описание
Кожух гидротрансформатора на Т10М
#Номер запчастиНаименование деталиКол-во в сборке
164-14-25Поддон1
264-14-113СПЗаборник1
3700-40-7193Прокладка1
4-Гайка М12×1,25-7Н.6.01924
5-Шайба 12 ОТ 65Г 0935
6700-29-2476Шпилька20
7700-32-2198Штифт2
864-14-20Корпус1
9-Кольцо 27×352
10700-29-2477Шпилька4
11700-37-2154Пробка1
12700-29-2474Шпилька8
1364-14-61Пробка1
1464-14-121СПТрубка1
15700-41-2716Болт2
16-Кольцо 14×204
17700-32-2206Штифт2
18700-41-3306Болт полый1
19-Кольцо 22×302
20-Гайка М10×1,25-6Н.6.01921
21-Шайба 10 ОТ 65Г 0935
2231308-1Шайба13 1, 2; 9 3, 4
2364-14-179СПТрубка1
2464-14-341Крышка1
25700-40-7257Прокладка1
26700-28-2224Рым-болт2
273135-1Шайба17
28-Болт М12×40.58.01911
29700-29-2135Шпилька2
30700-40-6160Прокладка1
3137104-1Пробка2
32700-29-2475Шпилька9
1 Для 64-14-1СП Гидротрансформатор для трактора с пусковым двигателем.
2 Для 64-14-1-02СП Гидротрансформатор с измененным активным диаметром для трактора с пусковым двигателем.
3 Для 64-14-1-01СП Гидротрансформатор для трактора сэлектростартерной системой пуска.
4 Для 64-14-1-03СП Гидротрансформатор с измененным активным диаметром для рактора с электростартерной системой пуска.
Кожух гидротрансформатора